Micro PLC 9-30V

go to order options

The Micro PLC is a small control for automotive applications. Free configuration, parameterization and programmability offer a wide range of application possibilities in the automotive sector.

Downloads
Technical details

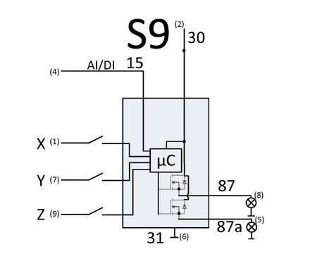
Inputs and Outputs

Number of pins 9
In-/Outputs (total) 7
Inputs (total) 4
Inputs (analog) 1
Inputs (digital) 3
Outputs (total) 3
Outputs (digital) 3
Output type high side 2
Output type low side 1
Switching current 15 A bei 23°C

Mechanical Properties

IP rating IP6K8
Housing material PA66GF30
Dimensions 30 × 30 × 40 mm

Programming

Programming software MRS Realizer

General

Temperature range 40 to +85°C
Operating voltage 9-30 V
Processor architecture 16 bit

Markings

Order options
Order no.Name
1.005.355.00
E1 EA1 1×442, A, 3 digital 1 analog input, 1 Highside output, Type A, Connection S8
1.005.365.00
E1 EA1 1×442, A, 3 digital 1 analog input, 2 Highside output, Type A, Connection S9
1.005.371.00
EA1 2×442 C, A, 3 digital 1 analog input, 2 Highside output, 1 open collector output, Type A, Connection S10

Contact

Would you like to learn more or are you looking for a specific product?

Then please feel free to contact us.

 

Contact Form Clear

Contact Form Clear