go to order options (100319zxx)
Time relays with switch on and off delay can be used if loads are to be switched on and off time-delayed. Please indicate the desired tightening and waste delay time when ordering. All schematics: Operating voltage is applied to terminal 30/87z. If the voltage is set at Terminal 15, the relay will pull on at the end of the specified time. If the voltage is removed at Terminal 15, the relay falls off after the specified time has elapsed.
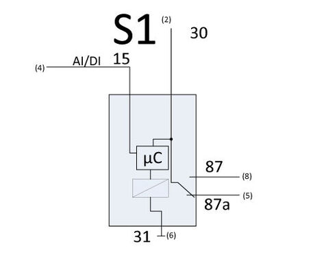
Circuit diagram S2: The contacts are separate from the control and can therefore be used in links. In this variant, the relay contact is completely potential-free and thus capable of switching alternating voltage. Circuit diagram S4: The relay does not consume a quiescent current by the diode circuitry after the drop. Housing forms can be found in the section housing and basic body.
| Number of pins | 5 | 
|---|---|
| In-/Outputs (total) | 2 | 
| Inputs (total) | 1 | 
| Inputs (digital) | 1 | 
| Outputs (total) | 1 | 
| Relay outputs | 1 | 
| Switching current | NO 15 A / NC 15 A | 
| IP rating | IP53 | 
|---|---|
| Housing material | PA66GF30 | 
| Dimensions | 30 × 30 × 40 mm | 
| Switching cycles | 100000 | 
| Programming software | MRS Realizer | 
|---|
| Temperature range | -40 to +85°C | 
|---|---|
| Operating voltage | 9-16 V | 
| Current consumption | 2 ± 1 mA | 
| Order no. | Name | 
|---|---|
| 1.003.196.xx (1003196xx) | 
                        
                        (Basis M3), A, Individual delay time, Type A, Connection S1
                        
                        
                           | 
| 1.003.197.xx (1003197xx) | 
                        
                        (Basis M3), B, Individual delay time, Type B, Connection S2
                        
                        
                           | 
| 1.003.190.xx (1003190xx) | 
                        
                        (Basis Micro PLC), C, Individual delay time, Type C, Connection S4
                        
                        
                           | 
Then please feel free to contact us.

