Time Relay M1 compact Switch on/off Delay 24 V

go to order options

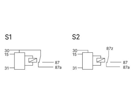
Time relays with switch on and off delay can be used if loads are to be switched on and off time-delayed. Please indicate the desired tightening and waste delay time when ordering. All schematics: Operating voltage is applied to terminal 30/87z. If the voltage is set at Terminal 15, the relay will pull on at the end of the specified time. If the voltage is removed at Terminal 15, the relay falls off after the specified time has elapsed.

Circuit diagram S2: The contacts are separate from the control and can therefore be used in links. In this variant, the relay contact is completely potential-free and thus capable of switching alternating voltage. Circuit diagram S3: The relay does not consume a quiescent current by the diode circuitry after the drop. Housing forms can be found in the section housing and basic body.

Downloads
Technical details

Inputs and Outputs

Number of pins 5
In-/Outputs (total) 2
Inputs (total) 1
Inputs (digital) 1
Outputs (total) 1
Relay outputs 1
Switching current 15 A NC / 15 A NO

Mechanical Properties

IP rating IP53
Housing material PA66GF30
Dimensions 30 × 30 × 30 mm
Switching cycles 100000

Programming

Programming software MRS Realizer

General

Temperature range -40 to +85°C
Operating voltage 16-32 V
Current consumption 2 mA 

Markings

Order options
Order no.Name
1.003.286.xx
Individual time delay, Type A, Connection S1
1.003.287.xx
Individual time delay, Type B, Connection S2

Contact

Would you like to learn more or are you looking for a specific product?

Then please feel free to contact us.

 

Contact Form Clear

Contact Form Clear