Pulse Relay M1 Compact 24 V

go to order options

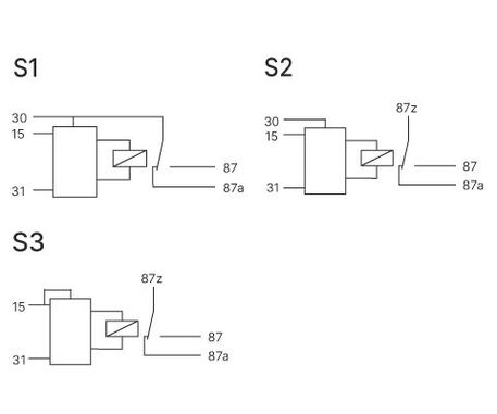
Pulse relays compact find use when consumers are to be switched on or off for a defined time. Please specify the desired impulse time when ordering. Circuit diagram S1 and S2: Operating voltage is applied to terminal 30. If the voltage is set at Terminal 15, the relay will immediately pull in for the specified time and then fall off again. The duration of the control signal has no effect on the output pulse duration (i.e. the relay is not retriggerable).

Circuit diagram S3: Operating voltage is applied to terminal 87z. If the voltage is set at Terminal 15, the relay will immediately pull in for the specified time and then fall off again. Circuit diagram S2 and S3: The contacts are separate from the control and can therefore be used in links. In this variant, the relay contact is completely potential-free and thus capable of switching alternating voltage. Housing forms can be found in the section housing and basic body.

Downloads
Technical details

Inputs and Outputs

Number of pins 5
In-/Outputs (total) 2
Inputs (total) 1
Inputs (digital) 1
Outputs (total) 1
Relay outputs 1
Switching current 10 A

Mechanical Properties

IP rating IP53
Housing material PA66GF30
Dimensions 30 × 30 × 30 mm
Switching cycles 100000

Programming

Programming software MRS Realizer

General

Temperature range -40 to +85°C
Operating voltage 16-32 V
Current consumption 2 mA 

Markings

Order options
Order no.Name
1.002.281.xx
Individual pulse time, Type A, Connection S1
1.002.282.xx
Individual pulse time, Type B, Connection S2
1.002.283.xx
Individual pulse time, Type B, Connection S2

Contact

Would you like to learn more or are you looking for a specific product?

Then please feel free to contact us.

 

Contact Form Clear

Contact Form Clear