Undervoltage Monitor with Reset 12V

go to order options

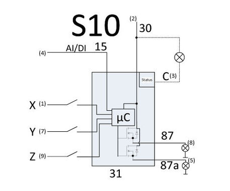
The Undervoltage Monitor With Reset (acknowledgment) has outputs for a signal, buzzer or other indicators. It can be used to turn on/off acoustic or optical warning signals when the input voltage drops below/exceeds a defined voltage level. When the input volt­age ap­plied to ter­mi­nal 15 drops below the de­fined thresh­old volt­age out­puts 87, 87a, and C are turned on. Out­put 87 can be switched off again via reset input x (ac­knowl­edge­ment) while out­puts 87a and C re­main on. When the input volt­age on ter­mi­nal 15 ex­ceeds the de­fined thresh­old volt­age all out­puts are switched off. Cus­tom thresh­old volt­ages are avail­able on re­quest. Please refer to the chap­ter hous­ing and base plates for ad­di­tional hous­ing op­tions.

Technical details

Inputs and Outputs

Number of pins 7
In-/Outputs (total) 5
Inputs (total) 2
Inputs (analog) 1
Inputs (digital) 1
Outputs (total) 3
Outputs (digital) 3
Switching current 4 A

Mechanical Properties

IP rating IP53
Housing material PA66GF30
Dimensions 30 × 30 × 40 mm

Programming

Programming software MRS Realizer

General

Temperature range -40 to +85°C
Operating voltage 9-30 V

Markings

Order options
Order no.Name
1.008.110.00
Thresholds: 11.5V / 12.5 V; Undervoltage Monitor with 87a, Connection S10

Contact

Would you like to learn more or are you looking for a specific product?

Then please feel free to contact us.

 

Contact Form Clear

Contact Form Clear