Proportional Amplifier 9-30V

go to order options

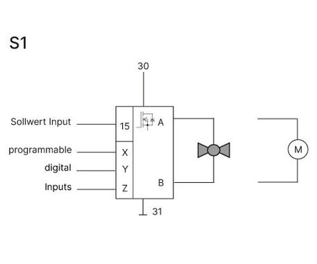
The Proportional Amplifier serves as a flow rate regulator for proportional valves. It is used in many hydraulic applications. The microcontroller-based current regulator provides a constant output current proportional to the set point value 0-10 Volt or 0-20 mA. Fluctuations in supply voltage and temperature are compensated for which ensures constant flow rates. To counteract stiction and hysteresis effects a dither frequency can be added (superimposed small rectangular ripple frequency). Please refer to the section housings and base plates for additional housing options.

Downloads
Technical details

Inputs and Outputs

Number of pins 9
In-/Outputs (total) 5
Inputs (total) 4
Inputs (analog) 1
Inputs (digital) 3
Outputs (total) 1
Outputs (PWM capable, integrated current measurement INA) 1
Output type high side 1

Mechanical Properties

IP rating IP53
Housing material PA66GF30
Dimensions 30 × 30 × 40 mm

Programming

Programming software MRS Realizer

General

Temperature range -40 to +85°C
Operating voltage 9-30 V

Markings

Order options
Order no.Name
1.030.311.00
Voltage setpoint with potentiometer, Type A, Connection S1
1.030.310.00
Voltage setpoint w/o potentiometer, Type A, Connection S1

Contact

Would you like to learn more or are you looking for a specific product?

Then please feel free to contact us.

 

Contact Form Clear

Contact Form Clear