Load Dump Protection Module

go to order options

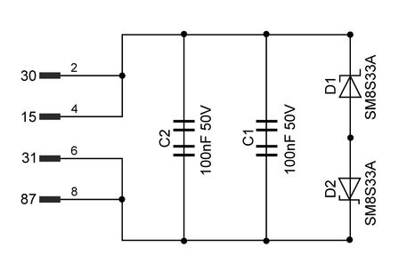
The Load Dump protection module is used to protect against voltage peaks.

Technical details

Mechanical Properties

IP rating IP53
Housing material PA66GF30
Dimensions 30 × 30 × 30 mm

General

Temperature range -40 to +85°C
Operating voltage 9-32 V
Order options
Order no.Name
1.051.300.00
Load Dump Protection Module

Contact

Would you like to learn more or are you looking for a specific product?

Then please feel free to contact us.

 

Contact Form Clear

Contact Form Clear