Flasher M3 12V

go to order options

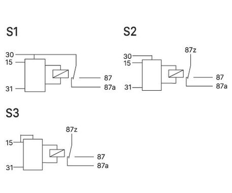
The flasher unit start/stop M3 is used for signal and warning light applications. The flasher can be used in various vehicle types. The supply voltage is connected to terminal 30/87z. When an input voltage is applied to terminal 15 the flasher unit starts immediately, generating 90 +/-30 pulses per minute. The flasher output can switch loads up to 20 A. Higher loads may be switched with a second downstream power relay. The inverted input voltage is present on terminal 87a. Please refer to the chapter housing and base plates for additional housing options.

Downloads
Technical details

Inputs and Outputs

Number of pins 5
In-/Outputs (total) 2
Inputs (total) 1
Inputs (digital) 1
Outputs (total) 1
Relay outputs 1
Switching current NO 20 A / NC 15 A

Mechanical Properties

IP rating IP53
Housing material PA66GF30
Dimensions 30 × 30 × 40 mm
Switching cycles 100000

Programming

Programming software MRS Realizer

General

Temperature range -40 to +85°C
Operating voltage 9-16 V
Blink frequency 90 +/-30 Impulse/min
Current consumption 2 ± 1 mA 

Markings

Order options
Order no.Name
1.007.191.00
Type A, Connection S1
1.007.192.00
Type B, Connection S2
1.007.193.00
Type C, Connection S3

Contact

Would you like to learn more or are you looking for a specific product?

Then please feel free to contact us.

 

Contact Form Clear

Contact Form Clear