Controller M1 12V

go to order options

The M1 controller with an operating voltage of 12V is a small, powerful, and inexpensive controller. In addition to the compact time relay, this compact version also has an impulse relay, a stepping relay, a flasher, and other functions on request. The functions mentioned are stored by default and only need to be configured and parameterized. Of course, the standard functions can also be ordered directly.

Downloads
Technical details

Inputs and Outputs

Number of pins 5 / 6
In-/Outputs (total) 2
Inputs (total) 1
Inputs (digital) 1
Outputs (total) 1
Relay outputs 1
Switching current NO 20 A / NC 15 A

Mechanical Properties

IP rating IP53
Housing material PA66GF30
Dimensions 30 × 30 × 30 mm

Programming

Programming software MRS Realizer

General

Temperature range -40 to +85°C
Operating voltage 7.2-16 V
Current consumption 2 mA + Load 
Processor architecture 16 bit

Markings

Order options
Order no.Name
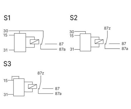
1.028.101.00
Type A, Connection S1
1.028.102.00
Type B, Connection S2
1.028.103.00
Type B, Connection S3

Contact

Would you like to learn more or are you looking for a specific product?

Then please feel free to contact us.

 

Contact Form Clear

Contact Form Clear