go to order options (102221x)
Pulse relays can be adjusted when loads are to be switched on or off for a time-defined range. You can choose from five time ranges by default (see table). Within the selected time range, the pulse time can be changed via potentiometer. We are able to program other time ranges on request. Please specify the desired time range when ordering.
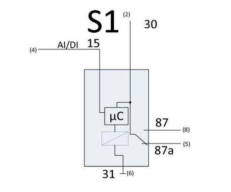
Circuit diagram S1: Operating voltage is applied to terminal 30. If the voltage is fixed briefly or permanently at Terminal 15, the relay will immediately pull on the set time and then fall off again. Circuit diagram S3: Operating voltage is applied to terminal 87z. If the voltage is short or permanent at Terminal 15, the relay will immediately pull in for the set time and then fall off again. Control and contacts are separated from each other and can thus be placed in a chain of links. All schematics: The duration of the control signal does not affect the duration of the output pulse (i.e. the relay is not retriggerable). The exact pulse length can be set with the potentiometer within the given time interval. Housing forms can be found in the section housing and basic body.
| Number of pins | 5 |
|---|---|
| In-/Outputs (total) | 2 |
| Inputs (total) | 1 |
| Inputs (digital) | 1 |
| Outputs (total) | 1 |
| Relay outputs | 1 |
| Switching current | NO 10 A / NC 5 A |
| IP rating | IP53 |
|---|---|
| Housing material | PA66GF30 |
| Dimensions | 30 × 30 × 40 mm |
| Switching cycles | 100000 |
| Programming software | MRS Realizer |
|---|
| Temperature range | -40 to +85°C |
|---|---|
| Operating voltage | 16-32 V |
| Current consumption | 0.3 mA |
| Order no. | Name |
|---|---|
| 1.022.215.xx (1022215xx) |
Individual pulse time, Type A, Connection S1
|
| 1.022.215.01 (102221501) |
Time Interval: 5 – 5 seconds, Type A, Connection S1
|
| 1.022.215.02 (102221502) |
Time Interval: 1 – 30 seconds, Type A, Connection S1
|
| 1.022.215.03 (102221503) |
Time Interval: 5 – 60 seconds, Type A, Connection S1
|
| 1.022.215.04 (102221504) |
Time Interval: 30 – 900 seconds, Type A, Connection S1
|
| 1.022.215.05 (102221505) |
Time Interval: 5 – 4000 seconds, Type A, Connection S1
|
| 1.022.214.xx (1022214xx) |
Individual pulse time, Type C, Connection S3
|
| 1.022.214.01 (102221401) |
Time Interval: 5 – 5 seconds, Type C, Connection S3
|
| 1.022.214.02 (102221402) |
Time Interval: 1 – 30 seconds, Type C, Connection S3
|
| 1.022.214.03 (102221403) |
Time Interval: 5 – 60 seconds, Type C, Connection S3
|
| 1.022.214.04 (102221404) |
Time Interval: 30 – 900 seconds, Type C, Connection S3
|
| 1.022.214.05 (102221405) |
Time Interval: 5 – 4000 seconds, Type C, Connection S3
|
Then please feel free to contact us.