PROP CAN

go to order options

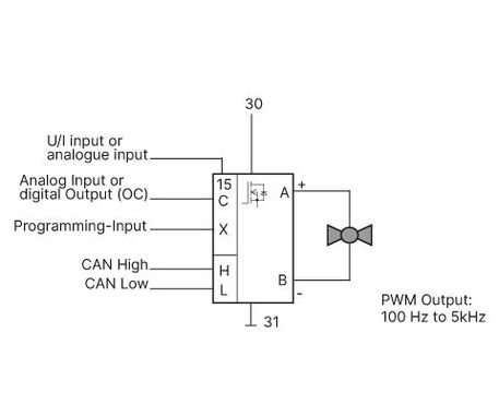
The PROP CAN valve con­troller with CAN bus reg­u­lates the flow rate of a pro­por­tional valve. It can be used in many hy­draulic ap­pli­ca­tions. CAN high speed can be used to com­mu­ni­cate with other mod­ules and sup­ports easy in­te­gra­tion into ex­ist­ing sys­tems. The microcontroller-based current control allows the desired output current to be specified using application software.

Con­trol and data down­load via CAN bus in­ter­face is sup­ported. Sup­ply volt­age and tem­per­a­ture fluc­tu­a­tions are com­pen­sated which en­sures con­stant flow rates. To coun­ter­act stic­tion and hys­tere­sis ef­fects a dither fre­quency can be ad­justed (su­per­im­posed small rec­tan­gu­lar rip­ple fre­quency). Please refer to the sec­tion hous­ings and base plates for ad­di­tional hous­ing op­tions.

Downloads
Technical details

Inputs and Outputs

Number of pins 9
In-/Outputs (total) 3
Inputs (total) 2
Inputs (analog) 2
Outputs (total) 1
Outputs (PWM capable, integrated current measurement INA) 1
Output type high side 1
Switching current 3 A

Interfaces

CAN interface(s) 1

Mechanical Properties

IP rating IP6K8
Housing material PA66GF30
Dimensions 30 × 30 × 40 mm

Programming

Programming software MRS Applics Studio

General

Temperature range -40 to +85°C
Operating voltage 9-32 V
Current consumption 30 mA 
Processor architecture 8 bit

Markings

Order options
Order no.Name
1.108.310.00
Desired voltage / Current with CAN-bus, Type A, Connection S1

Contact

Would you like to learn more or are you looking for a specific product?

Then please feel free to contact us.

 

Contact Form Clear

Contact Form Clear