Micro PLC CAN LIN

go to order options

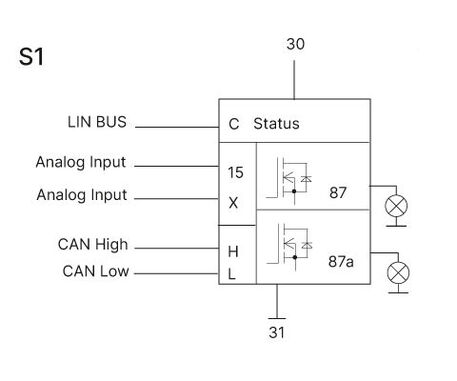
The most compact gateway from MRS Electronic is the Micro PLC CAN LIN. This gateway has been developed and built on the basis of a Micro PLC CAN. It offers extensive functions, packed in a 30 x 30 x 40 mm compact plastic housing. It has 9 pins and each has a CAN and LIN interface. The product can be delivered as a LIN slave or as a LIN master circuit and is perfect for tight installation spaces.

Downloads
Technical details

Inputs and Outputs

Number of pins 9
In-/Outputs (total) 4
Inputs (total) 2
Inputs (analog) 2
I/Os (total) 2
I/Os (Input analog) 2
I/O (Output PWM capable) 2
Switching current 400 mA

Interfaces

CAN interface(s) 1
LIN interface(s) 1

Mechanical Properties

IP rating IP6K8
Housing material PA66GF30
Dimensions 30 × 30 × 40 mm

Programming

Programming software MRS Applics Studio

General

Temperature range -40 to +85°C
Operating voltage 8-16 V
Current consumption 40 mA 
Quiescent current (12V) 50 µA
Processor architecture 8 bit

Markings

Order options
Order no.Name
1.113.111.00
Micro PLC CAN LIN Slave, Slave Wiring
1.113.111.03
Micro PLC CAN LIN Master, Master Wiring

Contact

Would you like to learn more or are you looking for a specific product?

Then please feel free to contact us.

 

Contact Form Clear

Contact Form Clear